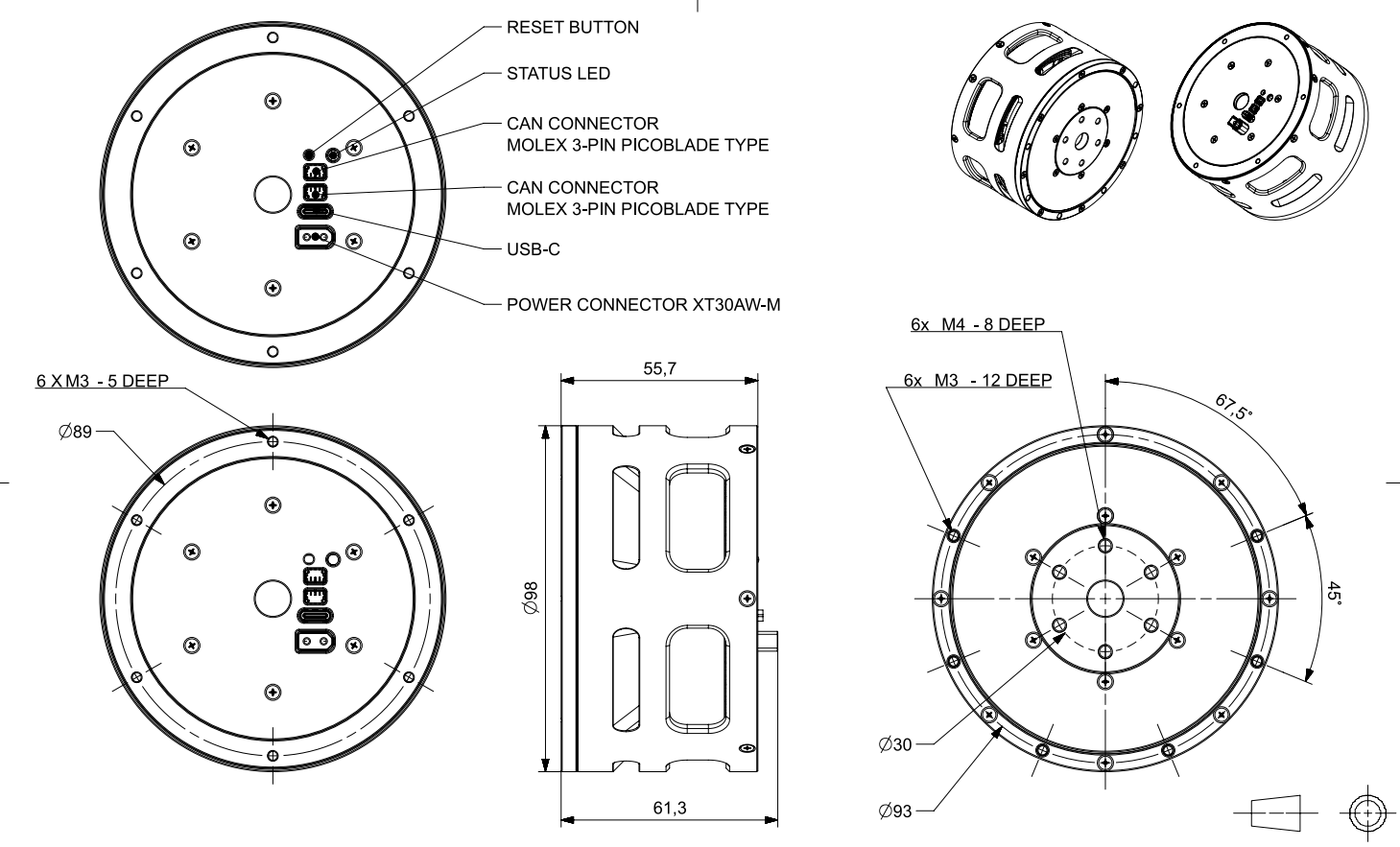
Mechanical Interfaces PULSE98 Actuator PULSE115 Actuator coming soon 3D Models we provide some 3D printable files